ĐIỀU KHIỂN SẠC - XẢ (Solar Lighting Controller)

Đăng bởi Phạm Văn Sang vào lúc 22/11/2021

Bộ điều khiển là bộ não của đèn đường năng lượng mặt trời. Nó (Theo dõi điểm công suất tối đa) tự động theo dõi và hoạt động tối đa công suất theo sự thay đổi thời tiết. Nó có một trình điều khiển Led tích hợp. Xem thêm chi tiết ở dưới đây:

Bộ điều khiển là bộ não của đèn đường năng lượng mặt trời. Nó (Theo dõi điểm công suất tối đa) tự động theo dõi và hoạt động tối đa công suất theo sự thay đổi thời tiết. Nó có một trình điều khiển Led tích hợp và còn có:

  • - Sạc theo dõi điểm năng lượng tối đa
  • - Tự động nhận dạng ngày và đêm Thiết kế mờ 4 cấp độ
  • - Hoạt động ở chế độ thông minh
  • - Chống nước IP68

  • - ĐIỀU KHIỂN TỪ XA BỘ ĐIỀU KHIỂN 
    Với điều khiển từ xa, bạn sẽ có thể thiết lập bộ điều khiển tại chỗ:
    • + Kiểm tra trạng thái của pin
    • + Kiểm tra lịch sử sạc
    • + Giải quyết các khoảng thời gian chạy khác nhau
    • + Chẩn đoán sự cố
  • - Cấu tạo và bản vẽ chi tiết bộ điều khiển sạc xả

  • - Cấu tạo vi mạch của bộ sạc xả

  • Nguyên lý hoạt động của bộ điều khiển sạc- xả năng lượng mặt trời

Bộ điều khiển sạc-xả nằm giữa những tấm pin năng lượng và bình ắc quy. Nhiệm vụ chính là điều chỉnh dòng điện được sinh ra từ tấm pin năng lượng mặt trời tới ắc-quy, sau đó sử dụng năng lượng để phát sáng theo lập trình. Cụ thể như sau:

  • Thứ nhất nó sẽ bảo vệ bình ắc quy. Khi bình đầy( ví dụ nạp 13-14V đối với 12V), thì lúc này chức năng của bộ điều khiển sạc sẽ ngắt dòng điện nạp từ tấm pin năng lượng mặt trời xuống bình ắc quy. Giúp bình không bị sôi và tuổi thọ của bình sẽ cao hơn. Khi bình cạn đến ngưỡng phải ngắt dòng không cho tải sử dụng ( ví dụ bình còn 10.5V cho bình 12V), thì bộ sạc sẽ ngắt dòng không cho tải sử dụng để bảo vệ bình.
  • Thứ hai để bảo vệ tấm pin mặt trời. Theo nguyên lý, dòng điện sẽ chảy từ nơi điện áp cao xuống điện áp thấp. Ban ngày trời nắng, điện áp của tấm pin 12V sẽ là từ 15V tới 20V, cao hơn điện áp của ác quy nên dòng sẽ đi từ tấm pin xuống bình. Nhưng vào ban đêm, khi không có ánh nắng mặt trời, điện áp tấm pin sẽ thấp hơn điện áp bình và dòng điện sẽ chảy ngược lại tấm pin, làm tấm pin nhanh bị hỏng. Lúc này, bộ điều khiển sạc có chức năng ngăn chặn một cách triệt để không cho dòng điện đi nên tấm pin.
  • Thứ ba để phát sáng vào buổi tối, nó được cài đặt theo chế độ thông minh nhận diện ánh sáng qua tấm pin và phát sáng theo thời gian được cài đặt.
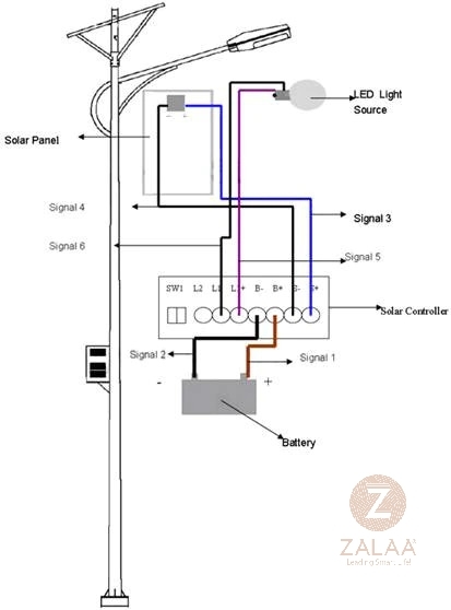
  • - Sơ đồ lắp bản điều khiển sạc xả

 

  • - Một số câu hỏi về bộ điều khiển sạc xả đèn năng lượng mặt trời
  • - Tại sao bộ điều khiển năng lượng mặt trời của tôi không hoạt động?
       Nếu pin năng lượng mặt trời được nối với hệ thống năng lượng mặt trời nhưng không sạc đúng cách, sự cố có thể do sự cố pin , hệ thống đấu dây sai hoặc vấn đề với cài đặt bộ điều khiển sạc năng lượng mặt trời. ... Nếu không đo được điện áp, có thể do tấm pin mặt trời hoặc diode chỉnh lưu có vấn đề
  • - Những bộ điều khiển sạc năng lượng mặt trời hàng đầu?
    Xếp hạng Tên Điện áp đầu vào tối đa
    #1 Bộ điều khiển sạc EPEVER MPPT 100V
    #2 Bộ điều khiển sạc năng lượng mặt trời Outback Flexmax 80 FM80 MPPT 80 AMP 150V
    #3 Bộ điều khiển sạc MidNite Solar Classic 150 150V
    #4 Bộ điều khiển sạc năng lượng mặt trời Victron SmartSolar MPPT 100/50 150V
  • - Bộ điều khiển sạc năng lượng mặt trời làm gì?
        Solar Lighting Controller Bộ điều khiển sạc năng lượng mặt trời là bộ điều chỉnh dòng điện và điện áp được cung cấp năng lượng mặt trời. Chúng được sử dụng trong các ứng dụng ngoài lưới điện và hỗn hợp ngoài lưới điện để điều chỉnh nguồn điện đầu vào từ các mảng PV nhằm cung cấp sản lượng điện tối ưu để chạy các tải điện và sạc pin.
  • - Bạn có thể sạc quá nhiều pin với bảng điều khiển năng lượng mặt trời không?
        Theo nguyên tắc chung, bảng điều khiển năng lượng mặt trời có thể sạc quá nhiều pin . Tỷ lệ sạc phụ thuộc vào điện áp bảng điều khiển năng lượng mặt trời, dòng điện đầu ra và điện áp pin. Việc sạc quá mức được loại bỏ bằng cách sử dụng bộ điều khiển sạc năng lượng mặt trời
  • - Bộ điều khiển sạc 30 amp có thể xử lý bao nhiêu watt?
       450 Watts | Bộ điều khiển sạc năng lượng mặt trời 30 amp có đầu vào tối đa là 450 Watts từ mảng năng lượng mặt trời. Bộ điều khiển sạc năng lượng mặt trời 30 amp được thiết kế chỉ dành cho hệ thống 12 volt. Các tấm pin mặt trời đầu ra danh định 12 volt nên được kết nối song song để giữ điện áp ở mức 12 volt.
  • - Tôi cần bộ điều khiển sạc cỡ nào cho bảng điều khiển năng lượng mặt trời 300 watt?
       
     Một bảng điều khiển năng lượng mặt trời 12V 300 watt yêu cầu bộ điều khiển sạc 30A , miễn là bộ điều khiển tương thích với điện áp pin của hệ thống. Hầu hết các bộ điều khiển sạc 30A được thiết kế để hoạt động với pin 12V và 24V, nhưng pin 48V yêu cầu loại lớn hơn.
  • - Bộ điều khiển năng lượng mặt trời giá bao nhiêu?
    Bộ điều khiển sạc toàn diện tốt nhất cho ngôi nhà không có lưới: Midnite Classic
      Cổ điển 150 Cổ điển 250
    Giá (tính đến 21/2/20) $725 $825
    Pin điện áp DC 12V / 24V / 48V 12V / 24V / 48V
    Đầu vào tối đa 150V 250V
    Đầu ra tối đa 86A-96A 43A-61A
  • - Làm thế nào để bạn làm một đèn đường tự động với một sơ đồ mạch?
        Sơ đồ mạch của mạch chuyển mạch điều khiển đèn đường tự động
    1. IC LM358 - 1.
    2. Điện trở 10KΩ - 1.
    3. Chiết áp 10KΩ - 1.
    4. Mô-đun chuyển tiếp 5V - 1.
    5. Dải đèn LED nhỏ.
    6. Pin 9V.
    7. LDR - 1.
    8. Kết nối dây.
  • - Tôi có nên rút bảng điều khiển năng lượng mặt trời vào ban đêm không?
     
     Bạn không bao giờ được ngắt kết nối các tấm khi mặt trời đang chiếu trực tiếp vào tấm . Vì có nguồn điện được lấy từ mặt trời, nên thử ngắt kết nối các tấm pin vào ban đêm luôn là an toàn nhất. ... Đây là lý do tại sao việc xử lý kết nối sẽ luôn an toàn nhất khi không có ánh sáng mặt trời trực tiếp chiếu vào các tấm pin.
  • - Bộ điều khiển sạc có làm tiêu hao pin không?
       
    Bộ điều khiển sạc năng lượng mặt trời quản lý năng lượng đi vào ngân hàng pin từ mảng năng lượng mặt trời. Nó đảm bảo rằng pin chu kỳ sâu không bị sạc quá mức trong ngày và nguồn điện không chạy ngược trở lại các tấm pin mặt trời qua đêm và làm tiêu hao pin
  • - Tại sao bảng điều khiển năng lượng mặt trời của tôi không sạc được pin của tôi?
       
    Nếu pin năng lượng mặt trời được nối với hệ thống năng lượng mặt trời nhưng không sạc đúng cách, sự cố có thể do sự cố pin, hệ thống đấu dây sai hoặc vấn đề với cài đặt bộ điều khiển sạc năng lượng mặt trời. ... Nếu không đo được điện áp, có thể do tấm pin mặt trời hoặc diode chỉnh lưu có vấn đề.

Một số hình ảnh bộ điều khiển sạc xả

Tags : Cấu tạo & Nguyên Lý, Gia Công Đèn Led, Kiến thức chiếu sáng, Linh kiện đèn led, Solar lighting controller, Tin tức, Điều Khiển Sạc - Xả, đèn led, đèn năng lượng mặt trời
Lỗi giao diện: file 'snippets/hotline.bwt' không được tìm thấy
popup

Số lượng:

Tổng tiền:

Xin chào
close nav
DANH MỤC
DANH MỤC SẢN PHẨM
HCM-Miền Nam (Mr Bảo): 0974.688.444 Hà Nội-Miền Bắc (Mr Long): 0947.324.999 M.Trung-ĐàNẵng (Mr Quang): 0981.270.333
Báo giá nhanh
Chat ngay